
Teknoloji
Kimyasal Arıtma
Lokasyon
Kayseri
Sektör
Mobilya Sektörü
Proje Özeti
Fosfathane Asit Tanklarının Yapımı + Havalandırma Üniteleri ve Skrabır + Kimyasal Arıtma
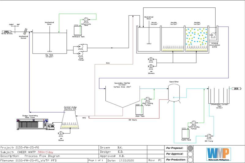
Proses Akış Şeması

Kullanılan Ekipmanlar
Koagülasyon + Nötralizasyon + Flokülasyon + Çötürme + Filtre Pres
Proje Galerisi





.jpg)


.jpg)
.jpg)
Benzer Bir Proje Mi Gerekli?
Sizin için özel çözümler tasarlamak ve uygulamak için hazırız.
Teklif İste
